Keresés Keresés
Összehasonlítás 0
Kedvencek 0


AUTOSTARTER

Generátor

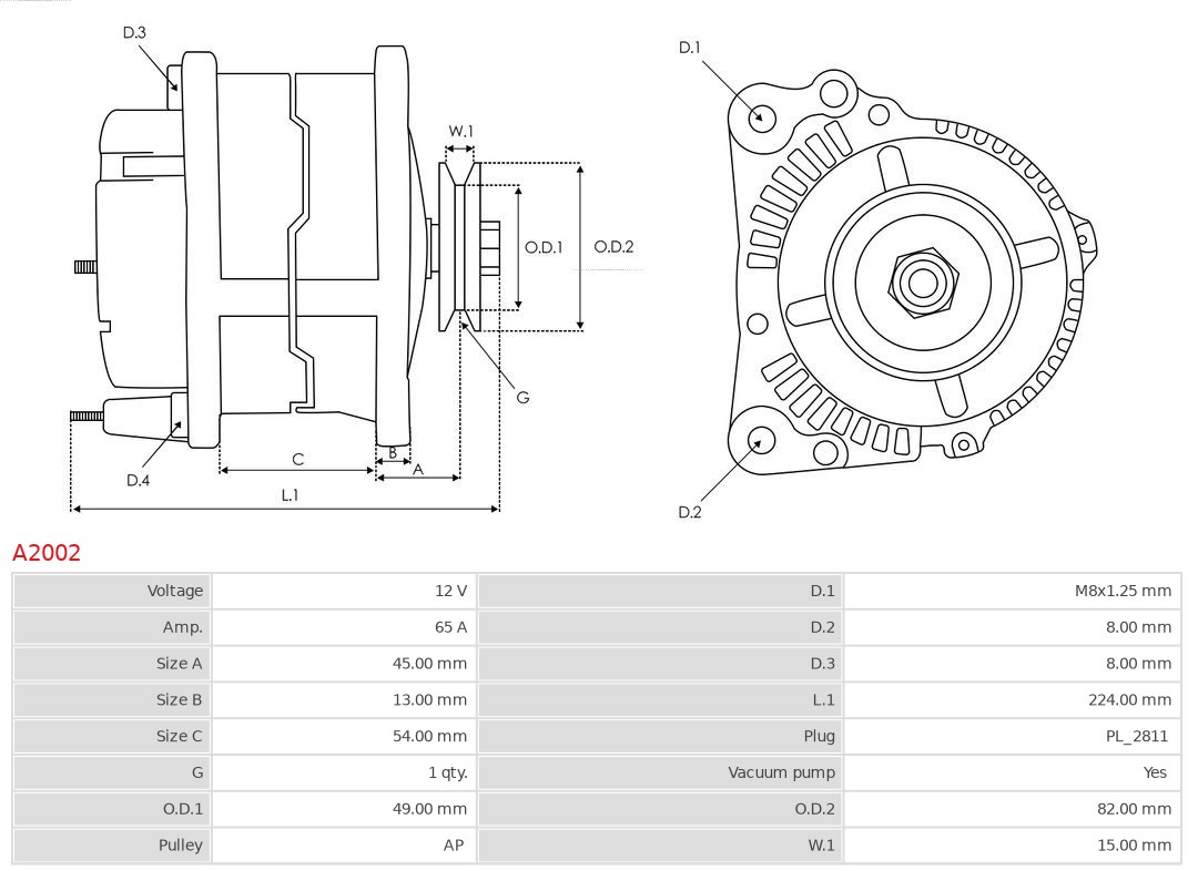
Cikkszám: 2C9 A2002

Feszültség [V] 12
Generátor-töltőáram [A] 65
Minőség STANDARD LINE
új alkatrész betét nélkül
Szállítási információ:
Futár kézbesíti: Szerda 08:00 -tól
Raktár készleten: 3 db
Egységár: 49872 Ft/db
Kedvezményes ár!
Br.49 872 Ft

Ajánlott termékek

Autóalkatrész és ápolás
Másnapi szállítás
Bankkártyás fizetés
Elfogadom

A webhelyünkön cookie-kat használunk a magasabb felhasználói élmény érdekében. Szolgáltatásaink igénybevételével beleegyezel a cookie-k használatába Bővebben