Cikkszámhoz tartozó helyettesítő termékek

Cikkszám: F2 1001283064
Gyártó: QWP
Kedvezményes ár: 11 899 Ft

Válasszon a gyártók közül. Egyszerre több gyártót is kijelölhet.



Gyártó:STARLINE

Cikkszám: 2A9 PB 2770

  • Megnevezés:
    Féktárcsa
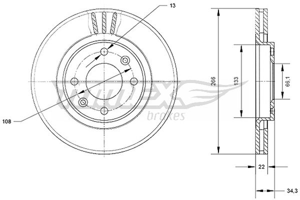
  • Külső átmérő [mm] 266
  • Féktárcsavastagság [mm] 22
  • Magasság [mm] 34,2
  • Lyukszám 4
  • Centrírozási átmérő [mm] 66
  • Beépítési oldal elsőtengely
  • Féktárcsa fajta Szellőztetett
  • Minimális vastagság [mm] 20

Br. 6 620 Ft

Kedvezményes ár!

Egységár: 6620 Ft/db

Szállítási információ

Futár kézbesíti: Szerda 08:00 -tól

Külső raktárkészleten: 306 db

Gyártó:MAXGEAR

Cikkszám: 2C9 19-0806

  • Megnevezés:
    Féktárcsa
  • Féktárcsa fajta Szellőztetett
  • Külső átmérő [mm] 266
  • Féktárcsavastagság [mm] 22
  • Beépítési oldal elsőtengely
  • Centrírozási átmérő [mm] 66,1
  • Magasság [mm] 34,3
  • Lyukszám 4
  • lyukkörátmérő [mm] 108
  • Minimális vastagság [mm] 20

Br. 7 016 Ft

Kedvezményes ár!

Egységár: 7016 Ft/db

Szállítási információ

Futár kézbesíti: Szerda 08:00 -tól

Külső raktárkészleten: 10 db

Gyártó:JPN

Cikkszám: 2B1 JPN30H9023-JPN

  • Megnevezés:
    féktárcsa
  • Beépítési oldal elsőtengely
  • Féktárcsa fajta belső hűtésű
  • Magasság [mm] 34,2
  • Féktárcsavastagság [mm] 22
  • Külső átmérő [mm] 266
  • Lyukszám 4
  • Centrírozási átmérő [mm] 66

Br. 8 036 Ft

Kedvezményes ár!

Egységár: 8036 Ft/db

Szállítási információ

Futár kézbesíti: Szerda 08:00 -tól

Külső raktárkészleten: 26 db

Gyártó:DENCKERMANN

Cikkszám: 2F4 DECB130149

  • Megnevezés:
    Féktárcsa
  • Minimális vastagság [mm] 20,0
  • Féktárcsa fajta Szellőztetett
  • Furatátmérő [mm] 13,0
  • Féktárcsavastagság [mm] 22
  • lyukkörátmérő [mm] 108
  • Lyukszám 4
  • Belső átmérő [mm] 133,1
  • Magasság [mm] 34,2
  • Centrírozási átmérő [mm] 66
  • Külső átmérő [mm] 266

Br. 7 711 Ft

Kedvezményes ár!

Egységár: 7711 Ft/db

Szállítási információ

Futár kézbesíti: Szerda 08:00 -tól

Külső raktárkészleten: 100 db

Gyártó:DENCKERMANN

Cikkszám: 2B7 B130149/DKM

  • Megnevezés:
    Féktárcsa
  • Minimális vastagság [mm] 20,0
  • Féktárcsa fajta Szellőztetett
  • Furatátmérő [mm] 13,0
  • Féktárcsavastagság [mm] 22
  • lyukkörátmérő [mm] 108
  • Lyukszám 4
  • Belső átmérő [mm] 133,1
  • Magasság [mm] 34,2
  • Centrírozási átmérő [mm] 66
  • Külső átmérő [mm] 266

Br. 7 414 Ft

Kedvezményes ár!

Egységár: 7414 Ft/db

Szállítási információ

Futár kézbesíti: Szerda 08:00 -tól

Külső raktárkészleten: 8 db

Gyártó:DELPHI

Cikkszám: 2F4 DELBG3620

  • Megnevezés:
    Féktárcsa
  • Féktárcsa fajta Szellőztetett
  • Lyukszám 4
  • Vizsgálat jelzés E1 90R-02C0300/1425
  • Felület olajozott
  • Külső átmérő [mm] 266
  • Féktárcsavastagság [mm] 22
  • Minimális vastagság [mm] 20
  • Centrírozási átmérő [mm] 66
  • Magasság [mm] 34,2

Br. 9 340 Ft

Kedvezményes ár!

Egységár: 9340 Ft/db

Szállítási információ

Futár kézbesíti: Szerda 08:00 -tól

Külső raktárkészleten: 100 db

Gyártó:FEBI

Cikkszám: 2F4 FEB21120

  • Megnevezés:
    Féktárcsa
  • Féktárcsavastagság [mm] 22
  • Keréktárcsa lyukszáma 4
  • rögzítő furatok száma 2
  • Vastagság [mm] 34
  • Külső átmérő [mm] 266
  • lyukkörátmérő [mm] 108
  • Felület bevonatolt
  • Féktárcsa fajta belső hűtésű
  • Beépítési oldal elsőtengely
  • Minimális vastagság [mm] 20
  • Centrírozási átmérő [mm] 66
  • Szervizinformáció figyelembe veendő

Br. 9 523 Ft

Kedvezményes ár!

Egységár: 9523 Ft/db

Szállítási információ

Futár kézbesíti: Szerda 08:00 -tól

Külső raktárkészleten: 100 db

Gyártó:STARLINE

Cikkszám: 2A2 PB 2770C

  • Megnevezés:
    Starline féktárcsa, lakkozott
  • Külső átmérő [mm] 266
  • Féktárcsavastagság [mm] 22
  • Magasság [mm] 34,2
  • Lyukszám 4
  • Centrírozási átmérő [mm] 66
  • Beépítési oldal elsőtengely
  • Felület lakkozott
  • Féktárcsa fajta Szellőztetett
  • Minimális vastagság [mm] 20

Br. 9 195 Ft

Kedvezményes ár!

Egységár: 9195 Ft/db

Szállítási információ

Futár kézbesíti: Kedd 08:00 -tól

Külső raktárkészleten: 33 db

Gyártó:STARLINE

Cikkszám: 2A9 PB 2770C

  • Megnevezés:
    Starline féktárcsa, lakkozott
  • Külső átmérő [mm] 266
  • Féktárcsavastagság [mm] 22
  • Magasság [mm] 34,2
  • Lyukszám 4
  • Centrírozási átmérő [mm] 66
  • Beépítési oldal elsőtengely
  • Felület lakkozott
  • Féktárcsa fajta Szellőztetett
  • Minimális vastagság [mm] 20

Br. 9 393 Ft

Kedvezményes ár!

Egységár: 9393 Ft/db

Szállítási információ

Futár kézbesíti: Szerda 08:00 -tól

Külső raktárkészleten: 316 db

Gyártó:FEBI

Cikkszám: 2B1 FEB21120

  • Megnevezés:
    féktárcsa
  • Féktárcsavastagság [mm] 22
  • Keréktárcsa lyukszáma 4
  • rögzítő furatok száma 2
  • Vastagság [mm] 34
  • Külső átmérő [mm] 266
  • lyukkörátmérő [mm] 108
  • Felület bevonatolt
  • Féktárcsa fajta belső hűtésű
  • Beépítési oldal elsőtengely
  • Minimális vastagság [mm] 20
  • Centrírozási átmérő [mm] 66
  • Szervizinformáció figyelembe veendő

Br. 10 575 Ft

Kedvezményes ár!

Egységár: 10575 Ft/db

Szállítási információ

Futár kézbesíti: Szerda 08:00 -tól

Külső raktárkészleten: 26 db

Gyártó:ROAD HOUSE

Cikkszám: 2A2 RH 6603.10

  • Megnevezés:
    Féktárcsa
  • Vizsgálat jelzés K.B.A.: 61209
  • Tömeg [kg] 5,1
  • Beépítési oldal elsőtengely
  • Átmérő [mm] 266
  • Féktárcsavastagság [mm] 22
  • Minimális vastagság [mm] 20
  • Magasság [mm] 34,2
  • Centrírozási átmérő [mm] 66,1
  • Lyukszám 4
  • Féktárcsa fajta Szellőztetett
  • Külső átmérő [mm] 266

Br. 9 713 Ft

Kedvezményes ár!

Egységár: 9713 Ft/db

Szállítási információ

Futár kézbesíti: Kedd 08:00 -tól

Külső raktárkészleten: 1 db

Gyártó:METELLI

Cikkszám: 2F4 MET23-0555C

  • Megnevezés:
    Féktárcsa
  • Vizsgálat jelzés ECE-R90
  • Magasság [mm] 34,2
  • Féktárcsa fajta Szellőztetett
  • Féktárcsavastagság [mm] 22,0
  • Külső átmérő [mm] 266,0
  • Lyukszám 4
  • Centrírozási átmérő [mm] 66,0
  • Felület lakkozott

Br. 10 626 Ft

Kedvezményes ár!

Egységár: 10626 Ft/db

Szállítási információ

Futár kézbesíti: Szerda 08:00 -tól

Külső raktárkészleten: 100 db

Gyártó:DELPHI

Cikkszám: 2A3 DLP BG3620

  • Megnevezés:
    Féktárcsa
  • Féktárcsa fajta Szellőztetett
  • Lyukszám 4
  • Vizsgálat jelzés E1 90R-02C0300/1425
  • Felület olajozott
  • Külső átmérő [mm] 266
  • Féktárcsavastagság [mm] 22
  • Minimális vastagság [mm] 20
  • Centrírozási átmérő [mm] 66
  • Magasság [mm] 34,2

Br. 9 944 Ft

Kedvezményes ár!

Egységár: 9944 Ft/db

Szállítási információ

Futár kézbesíti: Szerda 08:00 -tól

Külső raktárkészleten: 4 db

Gyártó:FERODO

Cikkszám: 2A3 FER DDF1140

  • Megnevezés:
    Féktárcsa
  • Féktárcsa fajta Szellőztetett
  • Külső átmérő [mm] 266
  • Féktárcsavastagság [mm] 22
  • Kiegészítő cikk/kiegészítő info 2 csavarokkal
  • Magasság [mm] 34,2
  • lyukkörátmérő [mm] 108
  • Centrírozási átmérő [mm] 66
  • Lyukszám 4
  • Mennyiségi egység Készlet
  • Felület olajozott
  • Vizsgálat jelzés R90 homologated
  • Tömeg [kg] 10,5
  • Minimális vastagság [mm] 20
  • Meghúzási nyomaték [Nm] 90
  • Kötési mód Doboz
  • Csomagolási hossz [mm] 28
  • Csomagolási szélesség [cm] 28
  • Csomagolási magasság [cm] 8,5

Br. 10 353 Ft

Kedvezményes ár!

Egységár: 10353 Ft/db

Szállítási információ

Futár kézbesíti: Szerda 08:00 -tól

Külső raktárkészleten: 2 db

Gyártó:ROAD HOUSE

Cikkszám: 2A3 ROA 660310

  • Megnevezés:
    Féktárcsa
  • Vizsgálat jelzés K.B.A.: 61209
  • Tömeg [kg] 5,1
  • Beépítési oldal elsőtengely
  • Átmérő [mm] 266
  • Féktárcsavastagság [mm] 22
  • Minimális vastagság [mm] 20
  • Magasság [mm] 34,2
  • Centrírozási átmérő [mm] 66,1
  • Lyukszám 4
  • Féktárcsa fajta Szellőztetett
  • Külső átmérő [mm] 266

Br. 10 358 Ft

Kedvezményes ár!

Egységár: 10358 Ft/db

Szállítási információ

Futár kézbesíti: Szerda 08:00 -tól

Külső raktárkészleten: 4 db

Gyártó:FERODO

Cikkszám: 2F2 1001389492

  • Megnevezés:
    DDF1140C-SET - féktárcsa
  • Féktárcsa fajta Szellőztetett
  • Külső átmérő [mm] 266
  • Féktárcsavastagság [mm] 22
  • Kiegészítő cikk/kiegészítő info 2 csavarokkal
  • Magasság [mm] 34,2
  • Centrírozási átmérő [mm] 66
  • Lyukszám 4
  • Mennyiségi egység Darab
  • Felület bevonatolt
  • Vizsgálat jelzés R90 Homologated
  • Tömeg [kg] 5,25
  • Minimális vastagság [mm] 20
  • Meghúzási nyomaték [Nm] 90
  • Csomagolási hossz [mm] 28
  • Csomagolási szélesség [cm] 28
  • Csomagolási magasság [cm] 8,5

Br. 10 691 Ft

Kedvezményes ár!

Egységár: 10691 Ft/db

Szállítási információ

Futár kézbesíti: Szerda 08:00 -tól

Külső raktárkészleten: 30 db

Gyártó:TRW

Cikkszám: 2F4 TRWDF4184

  • Megnevezés:
    Féktárcsa
  • Féktárcsa fajta Szellőztetett
  • Külső átmérő [mm] 266
  • Féktárcsavastagság [mm] 22
  • Minimális vastagság [mm] 20
  • Centrírozási átmérő [mm] 66,1
  • Magasság [mm] 34,3
  • Lyukszám 4
  • Menetméret 13
  • lyukkörátmérő [mm] 108
  • Feldolgozás magas széntartalmú
  • Szín fekete
  • Felület lakkozott
  • Vizsgálat jelzés E190R-02C0185/0603

Br. 11 742 Ft

Kedvezményes ár!

Egységár: 11742 Ft/db

Szállítási információ

Futár kézbesíti: Szerda 08:00 -tól

Külső raktárkészleten: 100 db

Gyártó:BOSCH

Cikkszám: 2F2 1004039057

  • Megnevezés:
    0986479R63 - Első féktárcsa
  • Külső átmérő [mm] 266
  • Féktárcsavastagság [mm] 22
  • Minimális vastagság [mm] 20
  • Magasság [mm] 34,2
  • lyukkörátmérő [mm] 108
  • Féktárcsa fajta Szellőztetett
  • Centrírozási átmérő [mm] 66
  • Lyukszám 4
  • Felület olajozott
  • ECE-szabvány szerinti ECE-R90
  • Furatátmérőig [mm] 13

Br. 11 148 Ft

Kedvezményes ár!

Egységár: 11148 Ft/db

Szállítási információ

Futár kézbesíti: Szerda 08:00 -tól

Külső raktárkészleten: 24 db

Gyártó:TRW

Cikkszám: 2B1 LUCDF4184

  • Megnevezés:
    féktárcsa
  • Féktárcsa fajta Szellőztetett
  • Külső átmérő [mm] 266
  • Féktárcsavastagság [mm] 22
  • Minimális vastagság [mm] 20
  • Centrírozási átmérő [mm] 66,1
  • Magasság [mm] 34,3
  • Lyukszám 4
  • Menetméret 13
  • lyukkörátmérő [mm] 108
  • Feldolgozás magas széntartalmú
  • Szín fekete
  • Felület lakkozott
  • Vizsgálat jelzés E190R-02C0185/0603

Br. 12 512 Ft

Kedvezményes ár!

Egységár: 12512 Ft/db

Szállítási információ

Futár kézbesíti: Szerda 08:00 -tól

Külső raktárkészleten: 26 db

Gyártó:BOSCH

Cikkszám: 2F4 BOH0986478618

  • Megnevezés:
    Féktárcsa
  • Külső átmérő [mm] 266
  • Féktárcsavastagság [mm] 22
  • Minimális vastagság [mm] 20
  • Magasság [mm] 34,2
  • lyukkörátmérő [mm] 108
  • Féktárcsa fajta Szellőztetett
  • Centrírozási átmérő [mm] 66
  • Lyukszám 4
  • Felület bevonatolt
  • ECE-szabvány szerinti ECE-R90
  • Furatátmérőig [mm] 13

Br. 12 098 Ft

Kedvezményes ár!

Egységár: 12098 Ft/db

Szállítási információ

Futár kézbesíti: Szerda 08:00 -tól

Külső raktárkészleten: 100 db

Gyártó:BOSCH

Cikkszám: 2C4 0986478618

  • Megnevezés:
    Féktárcsa
  • Külső átmérő [mm] 266
  • Féktárcsavastagság [mm] 22
  • Minimális vastagság [mm] 20
  • Magasság [mm] 34,2
  • lyukkörátmérő [mm] 108
  • Féktárcsa fajta Szellőztetett
  • Centrírozási átmérő [mm] 66
  • Lyukszám 4
  • Felület bevonatolt
  • ECE-szabvány szerinti ECE-R90
  • Furatátmérőig [mm] 13

Br. 11 780 Ft

Kedvezményes ár!

Egységár: 11780 Ft/db

Szállítási információ

Futár kézbesíti: Szerda 08:00 -tól

Külső raktárkészleten: 2 db

Autóalkatrész és ápolás
Másnapi szállítás
Bankkártyás fizetés
Elfogadom

A webhelyünkön cookie-kat használunk a magasabb felhasználói élmény érdekében. Szolgáltatásaink igénybevételével beleegyezel a cookie-k használatába Bővebben